Home Bauteile Bilder Kontakt Impressum
 

Regent 60

Regent 60

Ein Röhrenverstärker Regent 60, der Firma Böhm / Klingental / Vogtland Sachsen. Einmaliger Schrottcontainerfund, der einer Revidierung wert ist. Es gibt Bau- teileausfälle an den Koppelkondensatoren und viele mechanische Beschädigungen.

Die Sicherungshalter waren sehr stark oxidiert, die sind komplett durch neue Halter ersetzt. Becherkondensator-Muttern sind teilweise getauscht, waren gebrochen. R 502 entfällt, R 1/ 1K 1W, R 2/ 1K 1W, R 3/ 4,7 K, R 121/ 22 K, R 317/ 470 K, R 303/ 47 K, R 308/ 100 K, R 313/ 100 K, Anodenkreiswiderstände ersetzt durch 2 Watt/Metall. C 306/ 0,22 µF 630 V, C 202/ 50 µF 50 V, C 301/ 47n 630 V, C 302/ 0,1µ 630V, C 303/ 47n 630 V, C 304/ 0,1µ 630 V, C 209/ 0,1µ 630 V MKT. D1/D2 (SY 206) ausgetauscht durch, GA100G, 1000 V/6 A.

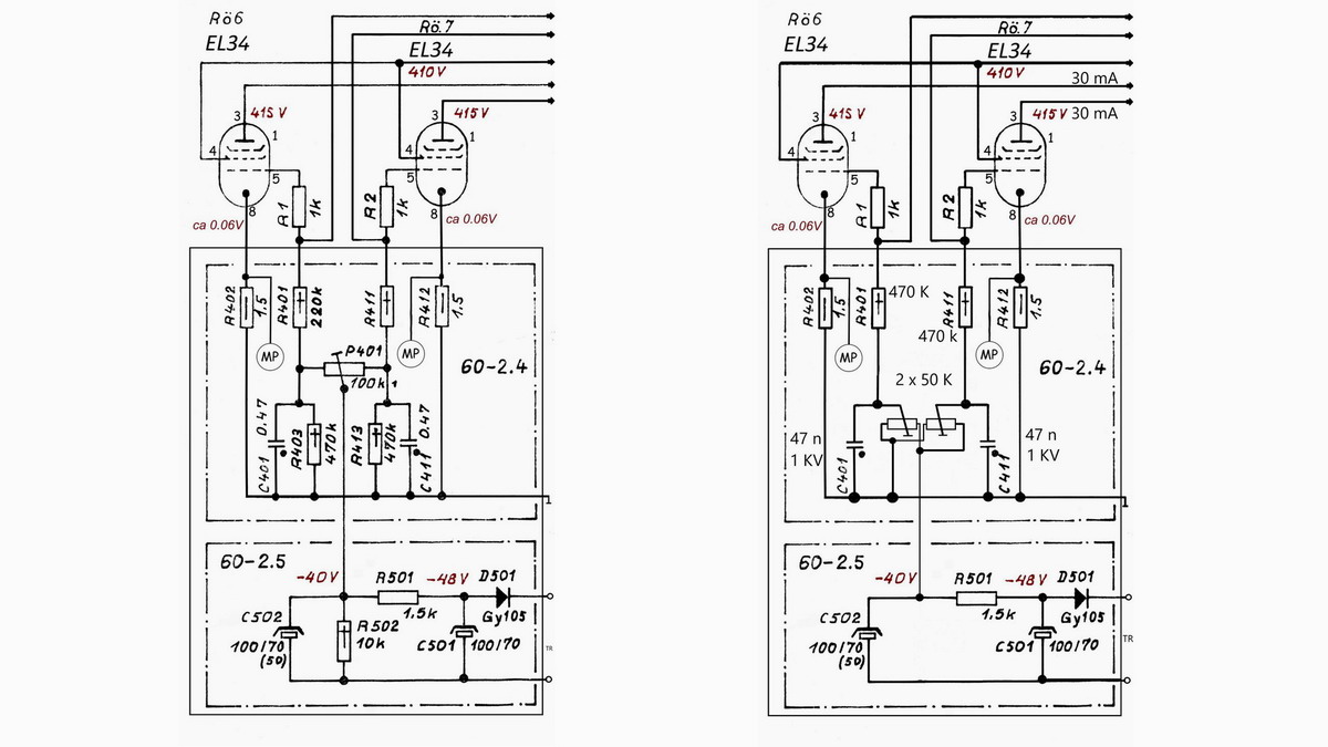
Alle Röhren haben eine genügende Leistung, wie die EM 84 (noch sehr hell), alle 4 ECC 83 sind gut, 2 EL 34 haben eine Leistung von 95 mA, gemessen mit M-RPG. Eine getrennte Ruhestromreglung pro Röhre ist sinnvoll, A/B EL 34( Ua 250 V/100 mA), 30mA pro Röhre ist eingestellt, die 2 EL 34 arbeiten somit in ihrer Kennlinie. Tandem-Schaltung ist ersetzt, durch getrennte Ruhestromeinstellung. Phasenansteuerung der Endstufe 2x EL 34, mit Jan 5751.

Alle Koppelkondensatoren in (Goldfarbener Ausführung) sind ersetzt, diese hatten erhebliche Tolleranzen. Sämtliche Vorstufen / Endstufen Koppelkondensatoren, 47 n / 0,1 µ sind durch MKT 630 V oder Koweg 1000 V ersetzt. Alle freiliegenden und THT Kondensatoren, sind in Kupferfolie gewickelt und auf Masse gelegt, das verhindert auf Grund der Hochohmigkeit der Vorstufenröhren, eine zusätzliche Brummeinstreuung auf die Vorstufe sowie zusätzlich Schirmbecher auf alle Vorstufen Röhren. Ein Eisenblech ist zusätzlich zur Schirmung der Vorstufen Leiterplatine Boot, auf Masse montiert. So wird die ganze Schaltung sehr viel ruhiger, Schirmbecher auf alle ECC 83/ 5751 und auf Masse gelegt, machen den gesamten NF Signalweg besser, gegen Einstreuungen. Alle 5 pol. Din- Eingansbuchsen waren mechanisch defekt, diese sind durch neuere Cinch/Klinkenbuchsen ersetzt. Ausgang/Eingang: 5 Din- Buchse ist belassen, wegen der Originalität und zum betreiben einer Bandmaschine, aus früheren Tagen. Eine Din oder Klinkenbuchse, ist zum Lautsprecherbetrieb vorgesehen. Es soll nur eine Buchse verwendet werden, 8 Ohm/20 V Vollaussteuerung 50 W/Sinus. Die Beschriftung des Frontbleches, der Eingangs/Ausgangsbuchsen ist neu, das Alublech war beschädigt und abgerieben. Ein sehr schöner Regent 60 und alle Mühe wert restauriert zu werden.


Ruhestromreglung orignal-Regent
revidierte Ruhestrom-Schaltung
Ruhestrom-Schaltung alt - neu

Ruhestromreglung orignal

revidierte Ruhestrom-Schaltung
Ruhestrom-Schaltung alt - neu
Innenansicht-teilweise revidiert-Cinch-Klinke- Din-Buchsen
Vorstufen-Eingangs-Buchsen teilweise revidiert
Innenansicht teilweise revidiert

Cinch-Klinke- Din-Buchsen

Eingangs-Buchsen teilweise revidiert
Innenansicht
Koppel-Kondensatoren - Kupferfolie- Masse
Innenansicht mit Vorstufenschirmblech
Phasen-Drehung-Platine-- EM 84

Koppel-Kondensatoren - Kupferfolie- Masse

Vorstufenschirmblech
Phasen-Drehung-Platine / EM 84
Regent hinten-Netzanschlussbuchse-original
Messplatz-Endstufentest
Pegel ein-ausgang Buchsen

Schirmbecher

Pegel Ein-Ausgang Buchsen
Messplatz-Endstufentest
Regent 60-2 orig. Schaltung
Schirmbecher
Regent 60 Front

Netzanschlussbuchse-original

Regent 60-2 orig. Schaltung
Regent 60 Front
Regent 60-2 orig. Schaltung
Schirmbecher
Regent 60 Front

Klirrfaktor bei 12,5 W

Klirrfaktor bei 36 W
Klirrfaktor bei 50 W
Regent hinten-Netzanschlussbuchse-original
Messplatz-Endstufentest
Pegel ein-ausgang Buchsen

M-NFLP 100W Test

Leistungstest
Wandmontage


Röhrenbestückung:

Rö. 1 ECC 83
Rö. 2 ECC 83
Rö. 3 ECC 83
Rö. 4 ECC 83
Rö. 5 Jan 5751
Rö. 6 EL 34
Rö. 7 EL 34
Rö. 8 EM 84